特点
●316L不锈钢隔离膜片结构
●高精度、全不锈钢结构
●微型放大器,电压、电流信号输出
●抗干扰强、长期稳定性好
●形式结构多样化,安装使用方便
●量程范围宽,可测量绝压、表压和密封参考压力
●抗振动、抗冲击
●零点、满程可调校
|
量程范围
|
-0.1...0~0.01...~100MPa
|
|
允许过载
|
小于等于额定量程的1.5倍或110MPa(取最小值)
|
|
压力类型
|
表压、绝压、密封表压型
|
|
精确度
|
±0.25%(典型) ±0.5%(最大)
|
|
长期稳定性
|
±0.1%F.S/年(典型) ±0.2%F.S/年(最大)
|
|
零点温度漂移
|
±0.03%F.S/℃(≤100KPa) ±0.02%F.S/℃(>100KPa)
|
|
满度温度漂移
|
±0.03%F.S/℃(≤100KPa) ±0.02%F.S/℃(>100KPa)
|
|
工作温度
|
-20℃~80℃
|
|
贮存温度
|
-40℃~120℃
|
|
供电电源
|
15~30VDC(本安型经安全栅供电)
|
|
输出信号
|
4~20mA 0~10/20mA 0/1~5VDC
|
|
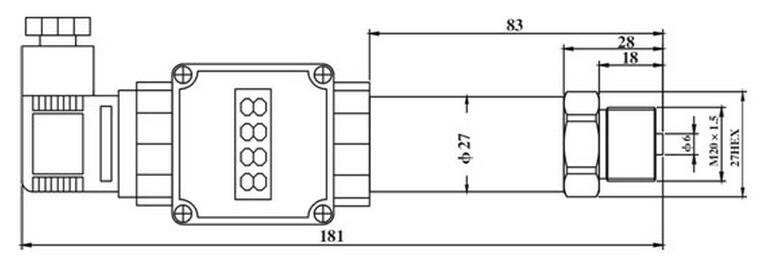
压力接口
|
M20×1.5 G1/2或用户自选
|
|
外壳材质
|
不锈钢1Cr18Ni9Ti
|
|
膜片材质
|
316L
|
|
O型密封圈
|
氟橡胶
|
|
电缆
|
聚乙烯
|
|
绝缘电阻
|
100MΩ 100VDC
|
|
外壳防护等级
|
IP65
|
选型提示
1、选型时请注意被测介质要与接触介质的产品部分相兼容。
2、需要零位压力为负压的变送器时,请在订货时注明量程范围。
3、订货时请注意防爆型产品、船用产品不包含数显表头。
4、订购带LCD或LED表头的变送器时,变送器的供电电源应不低于20VDC。
5、为确保产品可靠工作,建议用户在现场加装防雷击保护装置,并确保产品及电源可靠接地,可降低雷电对变送器损坏的概率。
6、选M3时,变送器环境温度范围为-20℃~60℃;选M4时,变送器环境温度范围为-30℃~70℃。
7、若订货产品需要计量检定证书,或者其它特殊要求,敬请与本公司商洽,并在订单中注明。