RK066系列扭矩传感器
RK066系列在引进德国扭矩传感器技术的基础上研制出专业测量扭矩参数的传感器。具有紧凑的外形和多种可选择的安装方式。不仅适用于实验室,也适用于工业环境中。RK066系列的供电和测量信号都采用非接触式传输方式,适用于长时间使用而低磨损,并且无需任何维护。针对不同的应用,还可以在传感器中增加转速测试。
该产品具有以下特性:
●内部采用独特非接触传递方式输入、输出信号
●可测量静态扭矩、动态扭矩
●测量正、反向扭矩时、不需调整零点
●信号采用数字化技术、抗干扰强
●输入电源极性、输出转矩、转速信号保护
●没有集流环等磨损件、可以高转速长时间运行
●扭矩测量精度与旋转速度、方向无关
●精度高、稳定性好、
●可测量正、反向扭矩、转速及功率
●体积小、重量轻、转动惯性小
●可靠性高、寿命长、
●外形紧凑、可任意位置、任意方向安装
技术参数 :
信号输出:
5-15 KHz脉冲信号(零扭矩:10 KHz;正向满量程15 KHz;反向满量
程5 KHz)4-20毫安电流(零扭矩12毫安;正向满量程20毫安;反量程4
毫安) 1-5V电压信号(零扭矩3V;正向满量程5V;反向满量程1V)
.转速输出信号;60脉冲/转(可选择转速或者无转速)
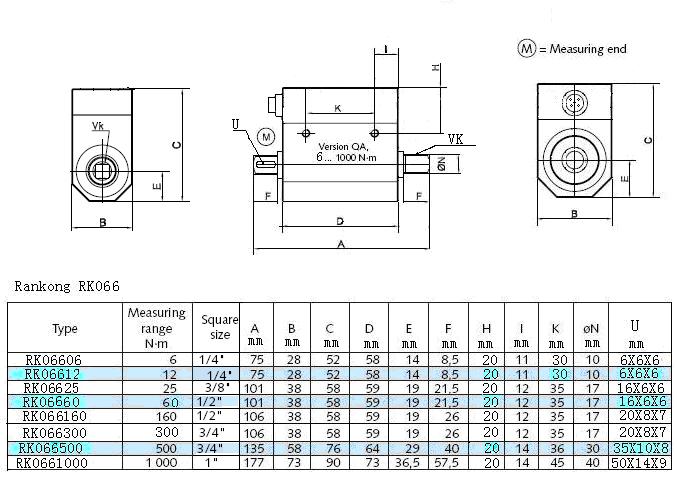
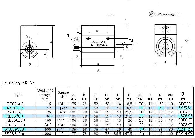
1.测量范围:6N·m to 1,000 N·m(4.45lb·ft to 737 lb·ft)
±6N·m 口±12 N·m 口
±25N·m 口±60N·m 口
±160N·m 口±300 N·m 口
±500 N·m 口±1,000 N·m 口
2.非线性度:±0.1%--±0.3%(F·S)
3.重 复 性:±0.1%--±0.2%(F·S)
4.精 度:±0.15 ±0.25% ±0.5% ±1%(F·S)
5.环境温度:(-20℃--60℃) -40℃--70℃
6.过载能力:150%
7. 响应频率:100 μs
8.缘电阻:大于200MΩ
9、相对湿度:≤90%RH
安装事项:
1、测量传感器的轴径与中心高,是否同心。
2、若测试动力源的扭矩,应将测试端与动力源侧相连;若测试负载
的扭矩,应将测试端与负载相连。
3、用两组联轴器,将传感器安装在动力设备与负载中间。
4、传感器、电机、负载装置(指被测件)三件的联轴器在前期
先装调一下,不可太紧,可在上面 轻轻滑动即可。
5、传感器接通仪表,没有安装前的情况下,用两手慢慢旋转左右端互反方向仪表
数字变动,待用。
6、安装基板面应有一定强度,可保证安装的稳定性,避免过大的震动,否则可能
造成测量数据不稳定,影响测量精度。
7、传感器、电机、负载装置(指被测件)在测量中心高均一致的情况下
(在0.03之内)与各联轴器安装好,并紧固可靠,不能有松动,要严格保证连接
的中心高和同轴度。否则可能造成测量误差及传感器的损坏。
8、双手轻轻分别捏住辅助端和测试端,同时用力慢慢旋转传感器,观
查仪表数字变化在±25HZ之内可以认为合格,若数字超出,证明测
试端联轴器相互别劲,需调整负载装置(指被测件)左右或中心高。
9、标准传感器采用水平安装使用,传感器不能承受轴向力、弯矩,
否则会造成传感器的损坏。
10、传感器垂直或其它角度的安装时,请订货前提出安装要求,选
择适合安装要求的传感器。