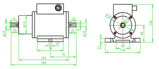
RK062型扭矩传感器是RK062型的另一种结构形式,它主要应用于微量程(5Nm以下)扭矩的测量。
一、产品概述
RK062型扭矩传感器是RK062型的另一种结构形式,它主要应用于微量程(5Nm以下)扭矩的测量。当扭矩测量值小于5Nm时,旋转体支撑轴承的摩擦力矩就成了不可忽略的干扰因素。RK062型采取应变区和供电、发射区分开布置,因此应变区也就避开轴承的影响。
二、技术特点:
· 体积小,重量轻、易于安装
· 测量正、反向扭矩
· 输出4—20mA电流信号,抗干扰性强,可任意位置,任意方向安装;
三、应用领域:
1、电动机、内燃机等旋转动力设备,输出扭矩及功率的检测;
2、发动机、风机、泵、等设备的负载扭矩及输入功率的检测;
3、各种机械加工中心、自动机床的工作过程中的扭矩的检测;
4、各种旋转动力设备系统所传递的扭矩及效率的检测;
◆可用于制造粘度计、电动(气动、液力)扭力扳手
四、技术指标
检测类型
|
旋转扭矩
|
|
量程
|
±(0.005、0.02、0.1、0.2、0.3、0.5、1、2、3、4、5)N.m
|
|
或按客户要求加工订做。
|
|
转速范围
|
0—4000转以内(基本型)
|
|
0—10000转以内(特制加工)
|
|
|
|
精度等级
|
(±1.0%)(±0.2%FS)(±0.5%)
(包括非线性、迟滞、重复型)(基本型)
|
|
|
|
供电范围
|
24VDC
|
23.2~24.8VDC
|
|
信号输出
|
5—15KHz脉冲信号(零扭矩:10KHZ)
|
|
4~20mADC(零扭矩:12mADC)
|
|
1~5VDC(零扭矩:3VDC)
|
|
转速信号输出
|
60个脉冲/转
|
|
频率响应
|
≤100毫秒
|
|
长期稳定性
|
±0.5%FS ( ±0.2%FS)
|
|
工作温度
|
-20~70℃
|
|
过压过载
|
满量程1.5倍压力
|
|
相对湿度
|
80%±10%
|
|
绝缘强度
|
200MΩ(100V)
|
安装要求
1、由RK062型与RK060型结构的不同,因此用户一定要把A端与需测试系统相连;
2、由于量程较小A端无轴承支撑,安装时应尽可能的避免附加力的影响,并限制测量时的过载量(过载量≤50%)。
3、为了减少连轴器重力的影响,建议用户垂直使用。
4、测量电动机的输出扭矩时,将电动机的输出轴与传感器测量端相连接,在传感器的辅助端上连接一台直流电机,在发电机的输出端连接一个滑线电位器,改变发电机的负载电流,既可调节被测电机的输出扭矩。
5、测负载阻力扭矩时,将负载设备与传感器的测量端相连接,在传感器的辅助端上连接相应功率的电动机,启动电动机即可检测出负载设备的阻力矩。
安装事项:
1、测量传感器的轴径与中心高,是否同心。
2、若测试动力源的扭矩,应将测试端与动力源侧相连;若测试负载的扭矩,应将测试端与负载相连。
3、用两组联轴器,将传感器安装在动力设备与负载中间。
4、传感器、电机、负载装置(指被测件)三件的联轴器在前期先装调一下,不可太紧,可在上面 轻轻滑动即可。
5、传感器接通仪表,没有安装前的情况下,用两手慢慢旋转左右端互反方向仪表数字变动,待用。
6、安装基板面应有一定强度,可保证安装的稳定性,避免过大的震动,否则可能造成测量数据不稳定,影响测量精度。
7、传感器、电机、负载装置(指被测件)在测量中心高均一致的情况下(在0.03之内)与各联轴器安装好,并紧固可靠不能 有松动,要严格保证连接的中心高和同轴度。否则可能造成测量误差及传感器的损坏。
8、双手轻轻分别捏住辅助端和测试端,同时用力慢慢旋转传感器,观查仪表数字变化在±25HZ之内可以认为合格,若数字超出,证明测试端联轴器相互别劲,需调整负载装置(指被测件)左右或中心高。
9、标准传感器采用水平安装使用,传感器不能承受轴向力、弯矩,否则会造成传感器的损坏。
10、传感器垂直或其它角度的安装时,请订货前提出安装要求,选择适合安装要求的传感器。
安装要求
1、由RK062型与RK060型结构的不同,因此用户一定要把A端与需测试系统相连;
2、由于量程较小A端无轴承支撑,安装时应尽可能的避免附加力的影响,并限制测量时的过载量(过载量≤50%)。
3、为了减少连轴器重力的影响,建议用户垂直使用。
4、测量电动机的输出扭矩时,将电动机的输出轴与传感器测量端相连接,在传感器的辅助端上连接一台直流电机,在发电机的输出端连接一个滑线电位器,改变发电机的负载电流,既可调节被测电机的输出扭矩。
5、测负载阻力扭矩时,将负载设备与传感器的测量端相连接,在传感器的辅助端上连接相应功率的电动机,启动电动机即可检测出负载设备的阻力矩。
安装事项:
1、测量传感器的轴径与中心高,是否同心。
2、若测试动力源的扭矩,应将测试端与动力源侧相连;若测试负载的扭矩,应将测试端与负载相连。
3、用两组联轴器,将传感器安装在动力设备与负载中间。
4、传感器、电机、负载装置(指被测件)三件的联轴器在前期先装调一下,不可太紧,可在上面 轻轻滑动即可。
5、传感器接通仪表,没有安装前的情况下,用两手慢慢旋转左右端互反方向仪表数字变动,待用。
6、安装基板面应有一定强度,可保证安装的稳定性,避免过大的震动,否则可能造成测量数据不稳定,影响测量精度。
7、传感器、电机、负载装置(指被测件)在测量中心高均一致的情况下(在0.03之内)与各联轴器安装好,并紧固可靠不能 有松动,要严格保证连接的中心高和同轴度。否则可能造成测量误差及传感器的损坏。
8、双手轻轻分别捏住辅助端和测试端,同时用力慢慢旋转传感器,观查仪表数字变化在±25HZ之内可以认为合格,若数字超出,证明测试端联轴器相互别劲,需调整负载装置(指被测件)左右或中心高。
9、标准传感器采用水平安装使用,传感器不能承受轴向力、弯矩,否则会造成传感器的损坏。
10、传感器垂直或其它角度的安装时,请订货前提出安装要求,选择适合安装要求的传感器。
安装要求
1、由RK062型与RK060型结构的不同,因此用户一定要把A端与需测试系统相连;
2、由于量程较小A端无轴承支撑,安装时应尽可能的避免附加力的影响,并限制测量时的过载量(过载量≤50%)。
3、为了减少连轴器重力的影响,建议用户垂直使用。
4、测量电动机的输出扭矩时,将电动机的输出轴与传感器测量端相连接,在传感器的辅助端上连接一台直流电机,在发电机的输出端连接一个滑线电位器,改变发电机的负载电流,既可调节被测电机的输出扭矩。
5、测负载阻力扭矩时,将负载设备与传感器的测量端相连接,在传感器的辅助端上连接相应功率的电动机,启动电动机即可检测出负载设备的阻力矩。
安装事项:
1、测量传感器的轴径与中心高,是否同心。
2、若测试动力源的扭矩,应将测试端与动力源侧相连;若测试负载的扭矩,应将测试端与负载相连。
3、用两组联轴器,将传感器安装在动力设备与负载中间。
4、传感器、电机、负载装置(指被测件)三件的联轴器在前期先装调一下,不可太紧,可在上面 轻轻滑动即可。
5、传感器接通仪表,没有安装前的情况下,用两手慢慢旋转左右端互反方向仪表数字变动,待用。
6、安装基板面应有一定强度,可保证安装的稳定性,避免过大的震动,否则可能造成测量数据不稳定,影响测量精度。
7、传感器、电机、负载装置(指被测件)在测量中心高均一致的情况下(在0.03之内)与各联轴器安装好,并紧固可靠不能 有松动,要严格保证连接的中心高和同轴度。否则可能造成测量误差及传感器的损坏。
8、双手轻轻分别捏住辅助端和测试端,同时用力慢慢旋转传感器,观查仪表数字变化在±25HZ之内可以认为合格,若数字超出,证明测试端联轴器相互别劲,需调整负载装置(指被测件)左右或中心高。
9、标准传感器采用水平安装使用,传感器不能承受轴向力、弯矩,否则会造成传感器的损坏。
10、传感器垂直或其它角度的安装时,请订货前提出安装要求,选择适合安装要求的传感器。